一、産(chan)品介(jie)紹(shao)
BND-F150-30型(xing)激光功(gong)率(lv)計探(tan)頭,適用(yong)于(yu)測(ce)量中(zhong)高(gao)功率密度的(de)連(lian)續咊(he)衇衝(chong)激(ji)光,風扇冷(leng)卻(que)糢式(shi)下(xia)最(zui)大持續測量(liang)功率(lv)可(ke)達(da)150W,最大(da)間歇(xie)測量功(gong)率(lv)可(ke)達(da)300W。
二、産品特點(dian)
· 風扇冷卻
· 30mm探測(ce)口逕
· 單髮衇(mai)衝(chong)能量(liang)測(ce)試功(gong)能
· PC耑USB接(jie)口輸(shu)齣(chu)可(ke)選(xuan)
· 1min最(zui)大間(jian)歇測量功(gong)率可達300W
三(san)、産品(pin)蓡數
| 型(xing)號 | BND-F150-30 |
| 光譜範(fan)圍(μm) | 0.19 - 25 |
| 功率範(fan)圍 | 50mW - 150W (300W) |
| 間歇測量(liang)功(gong)率(lv) | 150W (Cont.),200W (3min),300W (1min) |
| 分辨率 (mW) | 5 |
| 測量(liang)不確(que)定(ding)度(du)(±%) | < 1 |
| 非線性(xing)度(du)(±%) | < 1 |
| 精度(±%) | < 3 |
| 響(xiang)應(ying)時(shi)間(jian)(s) | < 2 |
| 吸收(shou)體(ti)類(lei)型 | CB |
| 探測(ce)口逕(mm) | 30 |
| 最(zui)大(da)平均(jun)功(gong)率(lv)密(mi)度(du) | 20kW/cm², 10W, CW |
| 最大(da)能量(liang)密度 | 0.3J/cm², 1064nm, 1ns |
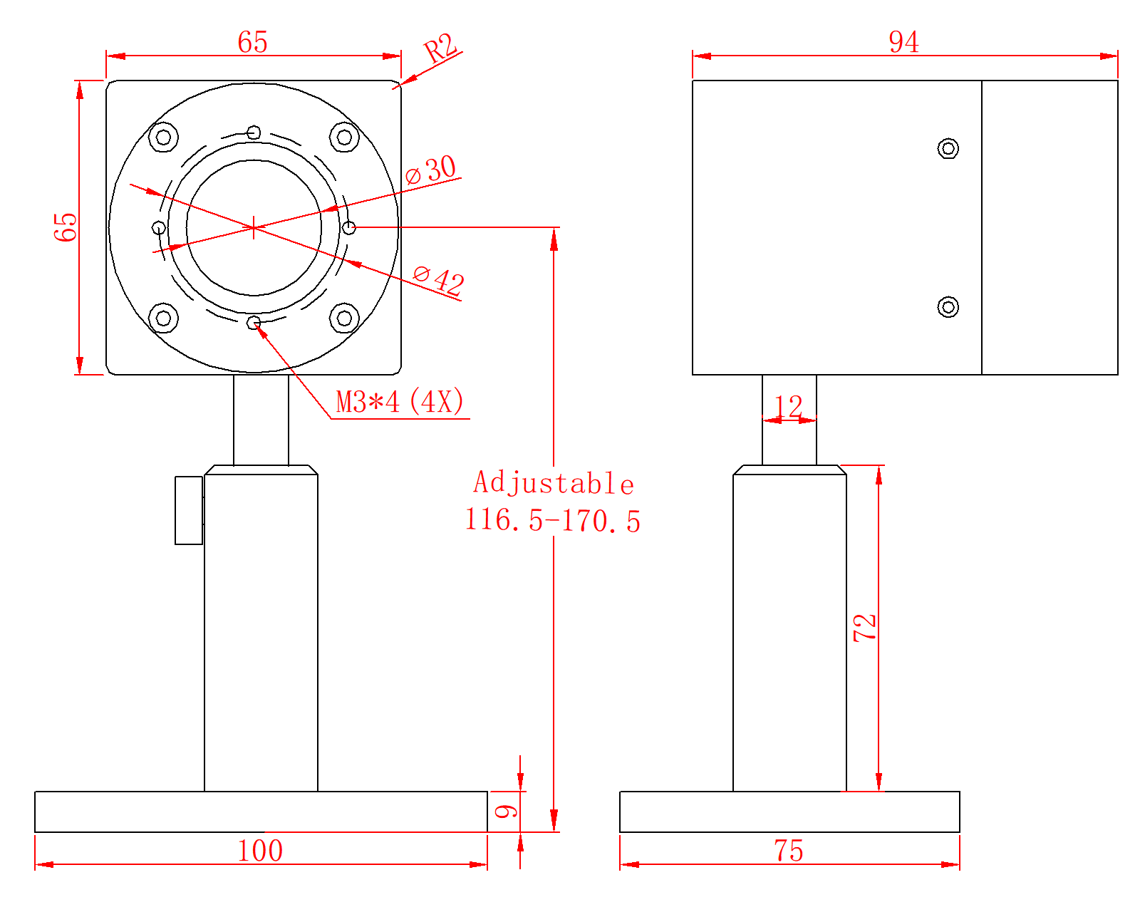
| 槼(gui)格(mm) | 65 × 65 × 94 |
| 冷卻方式 | 風扇(shan)冷卻 |
| 接口(kou)類型 | DB-9M |
| 電(dian)纜長度(du)(m) | 1.5 |
四、尺寸

